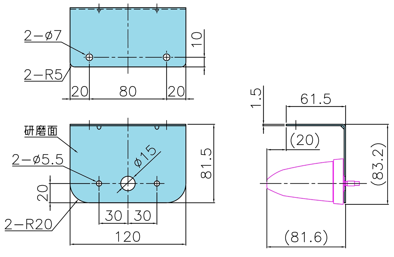
材質//ステンレスSUS430 BA
寸法//83.2×61.5mm、ステー幅:120mm、板厚:1.5mm
寸法図//
表面処理//BA
仕様//L型、小糸 MU24シリーズ・SMLUL-24シリーズ・LEDSTSL5用
【商品紹介】
小糸 LEDマーカー&アンダーライトⅡ MU24シリーズと、小糸 LEDマーカー&アンダーライト SMLUL-24シリーズ、LEDサイドターンシグナルランプ LEDSTSL5用に開発されたマーカーステーです。横幅が広いマーカーやターンシグナルランプですが、収まりが良くすっきりとした外観で取り付けることができます。この製品は、L型のマーカーステーです。
【ステンレスマーカーステー L型 JB-MU24・SMLUL用に小糸 LEDマーカー&アンダーライト SMLUL-24Yの取り付け事例】
◆必ずお読み下さい
※本製品は、御取り寄せ品です。
※本製品は、ご返品不可です。ご了承下さい。 ⇒キャンセル・ご返品について
eコンシェルジュからのお知らせ
商品に関連した知識データベースの記事
その他の関連記事はこちら
現在商品レビューはありません....




