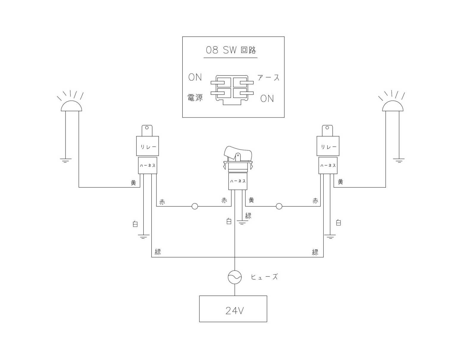
キャブ内スイッチ
トラックのキャブ内で使用するスイッチや、スイッチを取り付ける際に必要なパーツをまとめたカテゴリです。
トラックのスイッチは消耗品
様々な機能を持つトラックには、多くのスイッチが設置されています。荷台を操作するためのスイッチなどはトラックの外部に設置されているものがありますが、多くのスイッチはキャブ内に設置されています。
特に使用頻度が高いスイッチは、頻繁に使用していく中で故障や破損などのトラブルが起きるリスクがあるため、早めに交換品を用意しておかなければいけません。
スイッチが故障すると、その先の機構を動作させられなくなるため、あらかじめ使用する頻度が多いスイッチを把握しておき、予備を用意しておくようにしましょう。
トラックのスイッチの種類
トラックのスイッチは作動させる機構によって様々な種類のものが使い分けられています。例えば指で押して切り替える「プッシュスイッチ」や、シーソーのようにどちらかを倒して切り替える「シーソースイッチ」などがあります。
作動させる機構によって最適なスイッチがあるため、交換する際は取り外したスイッチと同じ種類のものを選ぶようにしましょう。
ヤマダボディーワークスでは、国内の主要トラックメーカーのキャブ内スイッチや、スイッチを取り付けるためのパーツなどを取り揃えています。









